
产品概述
在不断增长的5G数据需求及人工智能(AI)工作负载性能要求的联合推动下,400GbE、800GbE等高速以太网接口将得到大规模的应用,这也带来了高速率网络接口同步性能测试需求和挑战。
Paragon neo-S继承及发展了优秀的Calnex Paragon系列,是用于速率高达800G领先的同步测试解决方案。它是为增强型5G和O-RAN定时标准的严格测试要求以及提高数据中心运营效率的发展要求而设计。简而言之,Paragon neo-S可以帮助您设计、开发和测试当前及未来的设备和网络,满足您现在及将来对同步的测试需求。
此外,由于只有在高度精确的时序下才能实现高网络效率和降低数据传输成本,Paragon neo-S提供了硬件性能和软件测试方法,使整个测试系统能够实现亚纳秒级精度。
Paragon neo-S还具备极高的兼容性。随着800GbE所需物理层技术的逐步变化,可插拔新一代光收发器正在不停迭代。Paragon neo-S不仅满足800G同步测试的挑战,也迎合下新一代光收发器发展。
功能特点
PTP字段验证器 (PFV)• 分析PTP报文是否符合标准或用户定义的协议子集。 • 自动判决及显示Pass/Fail — 依照预定义的规则组检查捕获的PTP报文,并给出清晰的Pass/Fail结论。 |
|
|
合规测试应用• 可在几秒内开始测试 — 仅需点击两次鼠标,配置关键标准定义的测试序列。 • 自动产生PTP和ESMC报文、时间误差和SyncE损伤,设置过滤器、度量算法及标准模板。 |
|
• 分析时间误差(TE),比如Class C/D类电信边界时钟(T-BC)或Class B类PRTC/主时钟。 • 添加标准定义的时间误差损伤。 • 结合SyncE和ESMC进行复杂测试,如SyncE瞬态的相位噪声响应测试。 |
|
|
完整的 PTP 和 SyncE 漂移测试套件可同时测试 PTP 时间误差/SyncE 漂移,并测量输出数据包时序、恢复时钟和 SyncE 漂移。即使在高达 800GbE 的速率下,仍能提供无与伦比的测试精度和可重复性。
|
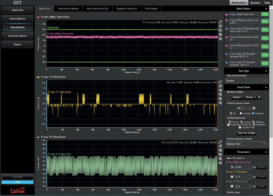
| Calnex分析工具(CAT)可深刻洞察网络和设备性能。 现在,您的所有测量结果汇聚在一个工具中,您可以同时查看多个图形,更轻松地关联结果。 此外,借助增强的图形显示,参考ITU-T和O-RAN定义的模板,可轻松评估标准定义的MTIE和TDEV等指标。 |
|
|
SyncE应用 — ITU-T G.8262.1/G.8262(漂移)Paragon neo-S支持ITU-T G.8262.1/G.8262定义的所有SyncE测试项测试包括: 漂移容限、漂移传递、漂移(噪声)产生、牵引入、保持性能、牵引出、频率精度、相位瞬态。
|
主要技术参数
|
PTP 性能概要
|
|
SyncE 性能概要
|
|
• 捕获和解码PTP报文,用于分析和时间误差测试 • PTP时钟仿真加上Paragon neo-S独特的一致性测试应用,消除不确定性,最大限度地提高测试可重复性, 这对于验证全新高精度5G网络设备至关重要 • 自动测试PTP协议报文是否符合基于标准或用户定义的协议子集,简单可靠 |
|
• 按照ITU-T G.8262.1/G.8262验证SyncE漂移性能 • 按照ITU-T G.8262.1/G.8262标准模板要求评估MTIE/TDEV的Pass/Fail结果 • 按照ITU-T G.8264检查ESMC(SSM)报文 |
| 产品 | |
| 接口 (均可选) |
阶段1 QSFP112-DD – 800G OSFP112 – 800G 阶段2 SFP112 – 100G QSFP112 – 400G 阶段3 当前Paragon-neo支持的速率 |
| 外部参考时钟 |
内部的时钟可跟踪外部参考源。 外部参考时钟类型: 64 kHz, 2.048 MHz, 10 MHz, T1 BITS时钟 (1.544 Mb/s), E1 MTS (2.048 Mb/s)。 |
| 内部参考时钟 |
温度变化下的频率稳定性 – 优于 ±1 x 10-9 。 短期相位稳定度 – 优于500 ps |
| 参考时钟输出接口 | 10 MHz/2.048 MHz 参考输出 (BNC) |
| 相位测量 |
1PPS – BNC (unbalanced, 非平衡模式) 1PPS – RJ (balanced, 平衡模式) |
| 频率测量 |
BNC (unbalanced, 非平衡模式) RJ48 (balanced, 平衡模式) |
| 1 PPS + ToD参考输入 |
1PPS非平衡模式输入 (BNC), 1PPS平衡模式输入 + ToD (RJ48C)。 ToD格式: CCSA, ITU-T, NMEA |
| 1 PPS + ToD参考输出 |
1PPS非平衡模式输出 (BNC), 1PPS平衡模式输出接口 +ToD (RJ48C)。 ToD格式: CCSA, ITU-T, NMEA |
|
通用
|
|
|
可支持PC/Mac和平板控制
|
基于Web的图形用户界面搭配内置控制器。 可通过任何PC或安卓平板电脑上屏幕分辨率为1024 x 768像素的任何浏览器使用。 设备通过 RJ45 LAN 接口连接仪器。 |
| 操作流程 |
图形化测试用例驱动的操作流程,并提供图形化的实时状态和结果的显示。 刺激/反应的测试配置工具。 并提供详细的配置选项。 |
| 远程控制 |
支持TCL、Perl、Python脚本 。 支持TCL、Python自动化脚本录制 。 支持Calnex自动化测试工具(CTS),用于创建/使用特定或用户自定义的测试项及测试计划。 |
|
PTP
|
|
| 标准 |
IEEE 1588 G.8273.2 (Class C, D) G.8272 (Class B) 所有ITU-T G.826x/827x相关标准。 |
| PTP时间误差(Time Error)测量 |
优于1ns (NRZ光接口) 优于5ns (PAM4光接口)及电接口 |
| 主(TT)/从(TR)时钟模拟 |
支持全参数可配置的PTP主(TT)时钟模拟 支持PTP从(TR)时钟模拟 添加时间误差模式,例如 G.8273.2、G.8271.1、G.8271.2、G.8261,以及用户自定义模式。 |
| 时间误差(Time Error)测量算法 |
内置的Calnex分析工具(CAT)支持ITU-T标准定义的pass/fail模板,并基于相应模板给出清晰的pass/fail指示 。 时间误差(Time Error)2Way和1Way结果 – 按照 ITU-T 标准(cTE、dTE等)进行数据包选择和过滤。 |
| PTP报文分析 |
解码并显示 PTP 字段,支持 PFV。 (使用完整的 PFV 授权许可可解锁更多选项:根据标准或用户自定义规则显示Pass/Fail状态,并具备报告生成功能。) |
|
同步以太网(SyncE)
|
|
| 漂移(Wander)测量 |
ITU-T G.8262.1, G.8262 和O.174 漂移(Wander)产生、漂移传递、 漂移容限、相位瞬变测试。 内置频偏、并支持产生正弦、MTIE和 TDEV漂移噪声。 |
| 漂移(Wander)分析 |
内置的Calnex分析工具(CAT)支持ITU-T标准定义的pass/fail模板,并基于相应模板给出清晰的pass/fail指示 。 ITU-T模板: G.8261, G.8262, G.8262.1, G.8261.1 漂移(wander)测量: TIE, MTIE, TDEV, clock FFO 。 |
| ESMC (SSM) 功能 |
根据ITU-T G.8264, 解码ESMC报文并提供图形化的时钟质量等级 (QL) 显示,并实时图形化显示其双向变化。 根据ITU-T G.8264产生ESMC(SSM)报文。 支持增强型SSM。 |
| 相位漂移测量精度 | 250ps |